Подшипник SB207 (YAT207, GAY35, US207)
Нажмите, чтобы увеличить |
|
Корпусной подшипник SB207 - шариковый, закрытый, самоустанавливающийся, крепится на валу при помощи двух стопорных винтов под шестигранник. Смазка внесена заранее, в уходе изделие не нуждается. Устанавливается в корпуса разной формы, например, в стальной ромбический PFL207. От более широко распространенных шарикоподшипников серии UC отличается гораздо более тонкой наружной обоймой и отсутствием канавки на ней. Есть очень похожее изделие, которое фиксируется эксцентриком (см. вкладку рекомендуемое). Есть также более редкие дюймовые модификации, через черту указывается еще одна цифра (консультируйтесь с нашими специалистами).
Аналоги
Разные марки могут иметь свои собственные обозначения: YAT 207-2F (SKF) , GAY35-NPP-B (INA, FAG), US207 (NTN-SNR).
В продаже из складского наличия или под заказ у нас есть несколько вариантов на выбор - чем дороже стоит изделие, тем оно качественне и долговечнее. В узлы, где нет значительных нагрузок, целесообразнее устанавливать самые дешевые подшипники. Сроки поставки и цены на дорогие премиум-марки уточняйте у наших специалистов (из-за высокой цены спрос на них мал, поэтому поставляются они по большей части под заказ).
Параметры подшипника SB207 (YAT207, GAY35, US207)
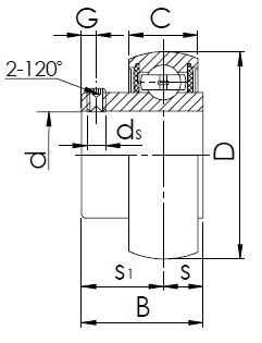
| Внутренний диаметр, мм (d) | 35 |
| Наружный диаметр, мм (D) | 72 |
| Ширина, мм (B1) | 32 |
| Ширина, мм (Be) | 17 |
| Масса, кг | 0,38 |
| Динамическая грузоподъемность, кН | 19,75 |
Чертеж
Соответствует ISO, в ГОСТ данная продукция не фигурирует. Уточнить все указанные на чертеже параметры или подобрать продукцию с другими размерами можно в каталоге в формате pdf.
Как и все прочие подшипники качения и скольжения, корпусной подшипник SB207 можно купить онлайн, оформив заказ через корзину, или позвонив по указанным на сайте телефонам. В случае, если подшипник является частью большой заявки, ее можно отправить на электронную почту.
При заказе указывайте, пожалуйста, предпочитаемую транспортную компанию и точное название Вашей организации! С почтой России не отправляем. В случае оптовой потребности уточняйте цены у наших специалистов - возможно предоставление скидки от объема.
Ваш отзыв: Заметка: HTML теги не принимаются! Используйте обычный текст.
Рейтинг: Плохо Хорошо
Введите код, указанный на картинке:



Корзина
Специальные






